Jump to content

Programmierter Autostart des PC inkl. DVBViewer


Recommended Posts

Posted (edited)

Ich habe mittlerweile alle Treads zum Thema automatisches Starten bzw. Hochfahren aus dem Standby gelesen und ausprobiert. Mein Rechner startet zwar per Windows Taskplaner aus dem Standby und öffnet den DVBViewer, aber es erscheint immer nur ein schwarzes Bild und ohne Ton. Das heißt: Der DVBViewer ist nicht richtig vollständig gestartet und damit funktionieren auch keine programmierten Aufnahmen. Also, bis das Problem anders gelöst wird oder ist, habe ich mir eine perfekt funktionierende Technik einfallen lassen, die auf so simple elektrotechnische Grundlagen aufbaut, das man sich fast nicht traut, so was einem hochkomplizierten Computer mit interner Uhr, Bios, Speicher und was weiß ich noch alles zuzumuten. Aber ich wende es jetzt schon seit über einem Jahr an... ohne einen Ausfall. Das Einzige: Es ist zwar aufwendig jedes mal zu Programmieren. Aber mein Rechner ist zwischendurch ganz ausgeschalten (spart Strom) und wird eine Viertelstunde vorher per Zeitschaltuhr eingeschalten, er ist somit frisch hochgefahren und die Aufnahmen klappen perfekt. Es wird nicht Jedermanns Lösung sein. Aber betrachten wir das Ganze als Übergangslösung.

Hier meine Beschreibung:

 

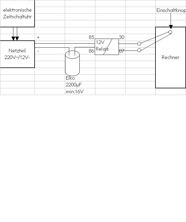
Ich habe den Kontakt des Einschaltknopfes mit 2 Kabeln zu den Arbeitsstromkontakten eines ganz simplen Kfz-Relais (12V Gleichspannung, Schließer)gebrückt. Dieses wird von einem handelsüblichen Netzteil 220V~ auf 12V- gespeist. In Reihe von der 12V- Versorgung zu den Spulenkontakten des Relais habe ich einen Elko mit 2200µF (richtig gepolt!) angeschlossen. Dieses Netzteil wird wiederum von einer elektronischen Wochenzeitschaltuhr mit 20 Programiermöglichkeiten angesteuert. Und das war’s auch schon. Muss ich mehr erklären? Das Aufwendige ist das manuelle Programmieren dieser Uhr, möglichst ohne Fehler und hinterher auf „Auto“, oder je nachdem, stellen. Ich aktiviere das Ganze nur für eine Minute (kürzer geht leider nicht). Wenn die Zeitschaltuhr einschaltet, fließt der Strom über den Kondensator zum Relais, und das nur ca. 0,5 Sekunden, also nur solange bis der Kondensator vollständig geladen ist. Für diese kurze Zeit ist dann der Einschaltknopf des Rechners überbrückt und er schaltet ein. Nach einer Minute ist die ganze Apparatur wieder spannungsfrei und es besteht keine Gefahr. Auch das Entladen des Kondensators führt nicht zu einem Wiederanziehen des Relais.

Nun sollte der DVBViewer im Autostart sein und man darf natürlich keine Benutzer oder Passwörter für den PC vergeben haben.

Wichtig ist, dass man keine zusätzlichen Programmierungen in der Zeitschaltuhr hat( aus vergangener Woche oder so), die den Rechner während des Betriebes dann folglich wieder ausschalten würden. Diese kann man aber auch sichern, indem man die Funktion des Einschaltknopfes beim betätigen auf „keine Funktion“ stellt. ( bei XP: Start/ Systemsteuerung/ Leistung-Wartung/ Energieoptionen/ Erweitert/ „ Beim Drücken des Netzschalters“ – auf „Nichts unternehmen“ stellen).

Viel Spaß und beruhigtes Zurücklehnen während der Rechner automatisch aufnimmt.

Tyll

Edited by arrowsteam
Posted

Da kann man nur sagen: Not macht erfinderisch. Respekt.

 

Ich finde es immer bemerkenswert, wenn sich Leute was einfallen lassen, anstatt sich nur zu beklagen oder darauf zu warten, dass andere helfen. Sowas könnte Deutschland noch retten. :rotfl:

Posted

Hier ist noch eine Skizze von dem ganzen

Tyll

post-1855-1109841630_thumb.jpg

Posted

Da meine Kiste rund um die Uhr läuft habe ich das Problem eigentlich nicht, aber mein BIOS hat die Option was er nach einem Stromausfall machen soll: Ausbleiben, vorheriger Zustand oder Einschalten.

 

Mit einer normalen Zeitschaltuhr müßte die Option Einschalten auch ohne Lötkolben zum Erfolg führen.

 

Die Luxus-Variante wäre dann eine Zeischaltuhr die man über USB oder Serielle Schnittstelle bequem vom PC aus programmieren könnte.

Posted (edited)

Hallo zusammen!

 

Für diejenigen, die mit dem Lötkolben nicht so bewandert sind, gäbs vielleicht hier was.

http://www.pearl.de/product.jsp?pdid=PE3057

Hab leider bisher keine Ahnung ob's was taugt. Da der Laden bei mir halber um die Ecke ist, werd ich es vielleicht mal am Wochenende anschauen. ;)

 

Der Brüller ist allerdings, dass es im "offline" Betrieb ein exra Netzteil braucht um den Timer zu betreiben. Da hätten sie nun wirklich was in die Leiste einbauen können..... :)

Edited by Achmachal
Posted

Hallo!

 

Wie versprochen hab ich mir das Ding mal angeschaut.

 

Hergestellt wird das Orginal wohl von dieser Firma.

http://www.gmb.nl/main.asp?mode=item&N=2755

 

Hardware:

 

Die Steckerleiste besitzt neben einer Master/Slave-Funktion die Möglichkeit vier der Anschlüsse per USB zu schalten. Die Schaltung der Anschlüsse kann auch zeitgesteuert geschehen (auch bei ausgesch. Rechner).

 

Software:

Die Software ist ein kleines Progrämmle, dass zum einen die Zeit-Events an die Steckerleiste überträgt und darüber hinaus z.B. auf das Starten von bestimmten

Programmen wartet um tätig zu werden.

Das Programm hat eine Netzwerkfunktion. Ich habs bisher aber nicht ausprobiert.

Man kann mit Hilfe des mitgelieferten Programms über die Kommandozeile selber die einzelnen Dosen schalten. Allerdings habe ich keine Möglichkeit gesehen, ob man auch die Zeit-Events darüber programmieren kann.

 

In der Leiste können 16 Zeit-Events (an/aus) gespeichert werden. Damit das ganze auch mit ausgeschalteten PC funktioniert, braucht man noch ein 9V Steckernetzteil.

Dann liesse sich der Rechner zeitgesteuert starten.

Laut einem Forumseintrag auf der Seite (s.o.) soll es wohl bald eine API geben, um die Leiste selber aus Programmen ansprechen zu können.

 

Fazit:

Mhhmm, mit der API dazu wäre es recht brauchbar. Dann könnte man über ein Plugin die Programmierung der Leiste im DVBViewer erledigen.

So bleibt immerhin ein Gerät mit dem man schon einiges anfangen kann. Wenn auch ohne den endgültigen Luxus einer kompletten Integration in den Viewer. Vielleicht kommt das ja noch sobald die API da ist.

 

Gruss, Achmachal :(

Join the conversation

You can post now and register later. If you have an account, sign in now to post with your account.

Guest
Unfortunately, your content contains terms that we do not allow. Please edit your content to remove the highlighted words below.
Reply to this topic...

×   Pasted as rich text.   Paste as plain text instead

  Only 75 emoji are allowed.

×   Your link has been automatically embedded.   Display as a link instead

×   Your previous content has been restored.   Clear editor

×   You cannot paste images directly. Upload or insert images from URL.

×
×
  • Create New...